Bơm hút chân không chính hãng không dầu của hãng WonChang – Korea model WBS 30-50-60-80A là một trong những dòng bơm chân không đang được ưa chuộng sử dụng với hiệu suất cùng khả năng tạo được áp suất chân không sâu để đpá ứng được nhiều yêu cầu của khách hàng.
1. Đặc điểm và cấu tạo của bơm chân không WonChang không dùng dầu
Bơm hút chân không WonChang Hàn Quốc cùng với những loại bơm chân không Becker, bơm Busch, bơm chân không Gast là những thiết bị bơm chân không đang được sử dụng phổ biến trên thị trường bơm chân không Việt Nam hiện nay. Hãng bơm chân không WonChang cung cấp đa dạng các loại bơm khác nhau từ: bơm chân không dầu, bơm hút chân không khô đến bơm vòng nước, phụ kiện bơm chân không để mang đến sự phong phú với nhiều thiết bị khác nhau.
Với giá thành cạnh tranh, bơm hút chân không Hàn Quốc hãng WonChang đang thực hiện mở rộng các thị trường bơm chân không trên thế giới. Tại Việt Nam, HCTECH đang là đơn vị đại diện ủy quyền của hãng để phân phối các dòng bơm chân khong cho từng khách hàng.

Các model WBS 80-85-90-95&100B đều được thiết kế 2 buồng bơm và sử dụng các cánh than bơm chân không để có thể kết hợp các ứng dụng trong dây chuyền sản suất khác nhau như vừa hút vừa thổi, 2 bơm cùng hút hoặc cùng thổi để tăng khả năng lưu lượng cho ứng dụng. Dòng model này thường được sử dụng tại các nhà máy in ấn với công suất lớn hoặc cũng có thể được áp dụng tại các xưởng bao bì,các hệ thống khí chân không y tế… Được tích hợp sẵn trên thiết bị buồng bơm là van điều chỉnh áp suất và đồng hồ đo áp suất chân không (hoặc khí thổi) giúp kiểm soát áp suất yêu cầu.
>> Tham khảo thêm các loại bơm hút chân không khô chính hãng chất lượng được sử dụng cho các ứng dụng phòng khách, nghiên cứu, sản xuất thực phẩm, dược phẩm.
Thông số kỹ thuật :

Đường con tuyến tính :

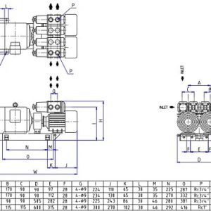
Bản vẽ kỹ thuật :

Trên đây là những thông tin về thiết bị bơm hút chân không Hàn Quốc WonChang không dùng dầu chính hãng để cung cấp những thông, đặc điểm, tính năng của bơm chân không đến cho bạn đọc và quý khách hàng. Khách hàng có nhu cầu tìm hiểu thêm thông hoặc liên hệ trực tiếp tới HCTECH để được đội ngũ kỹ thuật viên giwosi thiệu và tư vấn chọn mua được loại bơm chân không phù hợp với yêu cầu nhất.



