Bơm chân không khô Becker VTLF2.360 nằm trong series bơm chân không khô VTLF của hãng Becker, Đức. Bơm sử dụng cánh gạt carbon ở trong rãnh motor để quay và tạo ra chân không. Tham khảo thêm các thông tin về sản phẩm này qua bài viết sau.
Nội dung chính
Giới thiệu bơm chân không khô Becker VTLF2.360

Hình ảnh bơm chân không Becker VTLF 2.360
Model VTLF 2.360 là model bơm chân không cánh gạt không dầu có công suất 11kW. Độ chân không của bơm đạt độ sạch cao, đáp ứng nhu cầu sử dụng cho nhiều ứng dụng sản xuất công nghiệp. Đặc biệt là các ứng dụng yêu cầu độ sạch cao. Bơm còn được trang bị thêm nhiều phụ kiện tiêu chuẩn như bộ lọc khí, van điều chỉnh bơm chân không.. giúp cho dây chuyền sản xuất đạt hiệu quả cao.
Hãng sản xuất bơm chân không Becker – Đức
Bơm hút chân không khô Becker VTLF2.360 được sản xuất bởi hãng Becker – Đức. Các sản phẩm của hãng đều đạt tiêu chuẩn EU về chất lượng, ứng dụng hoàn hảo cho các ngành công nghiệp nặng, môi trường độc hại, nhiều hóa chất.
HCTECH là đơn vị ủy quyền chính hãng bơm chân không Becker. Chúng tôi mang những công nghệ vượt trội của hãng để mang đến cho doanh nghiệp Việt Nam để cải thiện năng suất lao động.
Bên cạnh đó, chúng tôi còn có những chính sách ưu đãi về giá cả, vận chuyển, bảo dưỡng…nên bạn hãy yên tâm lựa chọn HCTECH nhé.
Thông số kỹ thuật
| Model | VTLF2.360 |
| Hãng, nước sản xuất | Becker – Đức |
| Độ chân không (mbar) | 250 |
| Lưu lượng (m3/h) | 351 |
| Công suất động cơ (kW) | 11 |
| Độ ồn (dB) | 80.5 |
| Trọng lượng (kg) | 151 kg + Motor |
| Bảo hành | 12 tháng |

Thông số kỹ thuật của model VTLF 2.360 hãng Becker
>> Xem thêm: Bơm chân không khô Becker VTLF2.400
Đặc điểm cấu tạo
Cấu tạo chính của bơm chân không khô Becker VTLF2.360

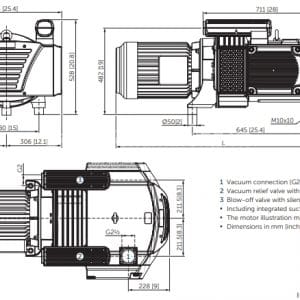
Bản vẽ kích thước của bơm chân không VTLF 2.360
Bơm chân không Becker VTLF2.360 có thiết kế chắc chắn, bền bỉ với những bộ phận chính đó là:
- Buồng bơm với lòng bơm, trục bơm (đặt lệch tâm so với lòng bơm), cánh gạt carbon (đặt trong các rãnh của trục rotor).
- Động cơ bơm chân không đạt tiêu chuẩn IP 55
- Vỏ bơm làm từ chất liệu cao cấp, có khả năng chịu được nhiệt độ và áp lực làm việc lớn.
Phụ kiện tiêu chuẩn theo bơm chân không Becker VTLF2.360
Những phụ kiện của bơm sẽ được lắp đặt tùy theo yêu cầu của bạn hoặc ứng dụng thực tế. Bạn nên chú ý vệ sinh, lau chùi sạch sẽ và bảo dưỡng phụ kiện theo định kỳ để kéo dài thời gian hoạt động.
- Bộ lọc bơm Becker VTLF2.360
- Cánh gạt bơm Becker VTLF2.360
Ưu điểm bơm chân không Becker VTLF2.360

Đường tuyến tính hoạt động của bơm chân không Becker VTLF 2.360
Bơm hút chân không khô Becker VTLF2.360 có những ưu điểm tuyệt vời như sau:
- Lưu lượng bơm và độ chân không phù hợp với đa số ứng dụng tại Việt Nam.
- Chất liệu cao cấp giúp bơm có tuổi thọ, độ bền cao
- Thiết kế bơm gọn gàng, dễ dàng lắp đặt và di chuyển
- Bơm chân không dùng cánh gạt than quay tạo ra chân không, không sử dụng dầu nên tiết kiệm nhiên liệu, thân thiện với môi trường
- Bơm hút chân không khô Becker VTLF2.360 còn được trang bị 2 đầu lọc khí, 2 van điều chỉnh áp suất nên thuận tiện cho công việc.
>> Xem thêm: Bơm hút chân không khô Becker VTLF400
Ứng dụng bơm chân không Becker VTLF2.360
Bơm hút chân không Becker VTLF2.360 được sử dụng phổ biến trong nhiều lĩnh vực sản xuất hiên nay, kể cả những ứng dụng với điều kiện môi trường làm việc khắc nghiệt.
- Bơm chân không ứng dụng đúc chân không, xử lý nước thải, hóa chất
- Ứng dụng bơm trong in ấn, vận chuyển sản phẩm
- Ứng dụng cho phòng thí nghiệm, trung tâm sinh học, y tế
- Bơm chân không sản xuất linh kiện, phụ kiện điện tử
- Ngành dược phẩm, mỹ phẩm
- Bơm chân không ứng dụng sản xuất nhựa, gỗ, giấy…
Chứng nhận sản phẩm
HCTECH là đơn vị ủy quyền chính hãng bơm chân không Becker tại Việt Nam. Do đó, chúng tôi cung cấp đầy đủ các giấy tờ đi kèm về nguồn gốc, xuất xứ, chứng nhận kiểm định về chất lượng, để chứng minh đây là hàng chính hãng, chứ không phải hàng trôi nổi trên thị trường.
- Chứng nhận CO, CQ
- Tờ khai hải quan
- Inovoice , Paking
Tư vấn lắp đặt
Tư vấn lắp đặt bơm chân không
Nhân viên kỹ thuật của HCTECH sẽ tiến hành khảo sát nhà máy, đưa ra phương án lắp đặt hoàn thiện dựa trên các yếu tố về vị trí phòng máy đặt bơm, đường ống hút chân không, nhu cầu sử dụng, ứng dụng thực tế của nhà máy.
Do đó, với mỗi ứng dụng và mỗi doanh nghiệp sẽ có sơ đồ lắp đặt cụ thể và không giống nhau. Chúng tôi sẽ tư vấn kỹ hơn cho bạn ngay sau khi mua sản phẩm.
Vận hành bơm chân không Becker
Quy trình vận hành bơm chân không khô sẽ được thực hiện như sau:
- Kiểm tra kỹ lưỡng về nguồn điện, các phụ kiện đảm bảo chức năng hoạt động
- Hệ thống đường ống, van khóa đảm bảo kín, bộ lọc khí không có dị vật
- Nếu thấy có những bất thường khi vận hành như máy hoạt động ngắt quãng, yêu cầu hút chân không không đủ sâu, hiệu suất làm việc chưa tối ưu thì cần xem xét lại và bảo dưỡng, thay thế nếu cần thiết.
Hướng dẫn bảo dưỡng bơm chân không theo định kỳ
Bảo dưỡng bơm chân không là một vấn đề cực kỳ quan trọng, để giúp bơm vận hành ổn định, ít hỏng hóc và kéo dài tuổi thọ.
- Cánh gạt bị mài mòn từ 0.3mm – 0.5mm cần thay mới
- Vệ sinh bơm, bộ lọc của bơm sau khi hết ca làm việc
- Định kỳ 3-6 tháng nên mang phụ kiện đi bảo dưỡng
Chính sách mua bơm chân không Becker VTLF2.360
- HCTECH bảo hành trong thời gian 12 tháng cho bơm hút chân không Becker VTLF2.360. Bên cạnh đó, chúng tôi còn bảo hành 1000 làm việc cho phụ kiện bơm chân không.
- Chính sách vận chuyển
- HCTECH sẽ miễn phí vận chuyển trên toàn quốc cho những đơn hàng từ 200 triệu. Những cá nhân, doanh nghiệp vận chuyển trong nội thành sẽ được miễn phí với mọi đơn hàng.
Giá
HCTECH cam kết bán đúng với giá bơm hút chân không khô Becker VTLF2.360 từ nhà sản xuất, bên cạnh đó bạn sẽ được hưởng một số ưu đãi khác để tiết kiệm tối đa chi phí.
Lợi dụng sự phổ biến của bơm chân không, trên thị trường hiện nay xuất hiện nhiều dòng bơm chân không bị làm giả, kém chất lượng. Do đó, bạn cần lựa chọn đơn vị uy tín để gửi gắm niềm tin. HCTECH chính là địa chỉ mà bạn đang tìm kiếm, hãy liên hệ đến cho chúng tôi để được tư vấn kỹ hơn nhé.
HOTLINE: 0904 643 816
Email: info@hctechco.com



