Bơm hút chân không khô Wonchang WBS 80 A là sản phẩm được ưa chuộng hiện nay tại nhiều nhà máy và xưởng sản xuất. Với công suất 4kw, lưu lượng hút chân không 1115×2 (I/min), bơm đáp ứng được nhiều yêu cầu về ứng dụng khác nhau.
Tham khảo chi tiết về sản phẩm qua bài viết sau:
Nội dung chính
Mô tả sản phẩm
Hãng sản xuất bơm chân không khô Wonchang WBS – 80A
WBS-80A là sản phẩm từ hãng bơm chân không Wonchang của Hàn Quốc
Bơm chân không Wonchang WBS – 80A là sản phẩm của hãng Wonchang. Hiện nay các sản phẩm của hãng đều được đánh giá cao về chất lượng, độ bền và lưu lượng hút chân không tốt.
Sản phẩm không chỉ tốt ở chất lượng máy mà các phụ kiện kèm theo cũng vô cùng cao cấp. Đảm bảo yêu cầu khắt khe nhất của khách hàng.
Qua thời gian dài sử dụng, Wonchang đã không làm khách hàng của mình phải thất vọng. Vì sự tuyệt vời mà máy mang lại cho người dùng là hoàn hảo thực sự.
Giới thiệu bơm hút chân không khô Wonchang WBS – 80A

Bơm chân không khô Wonchang 80A
Sở hữu thiết bị để bạn làm chủ công việc, làm chủ mọi nguồn lực mà nhà máy của chúng ta phải chi trả hằng ngày bơm hút chân không khô Wonchang WBS – 80A là sản phẩm được nhập khẩu chính hãng duy nhất tại HCTECH. Từ đó mà mọi thứ trở nên tự động hóa đơn giản hơn và năng suất cũng được nâng cao trong khi chi phí giảm xuống thấp.
Một trong nhữnng sản phẩm giúp tiết kiệm nhiên liệu là bơm WBS 80A bởi phẩm này thực hiện chức năng bơm chân không không sử dụng nguyên liệu như dầu. Đây được xem là một trong những thiết bị xanh của môi trường, có tính kháng khuẩn làm mát bằng không khí
Như vậy chúng ta có thể yên tâm sử dụng trong những ngành kén máy như trước kia, cụ thể là y tế, thực phẩm,…
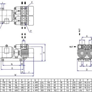
Thông số kỹ thuật về sản phẩm
| Model | WBS 80A | ||
| Displacement | 50Hz | l/min | 1115 |
| End Vacuum | 50Hz | mm hgG | 650 |
| Motor 3~ | IEC(Kw) | 50Hz | 4 |
| Revolution | RPM | 50Hz | 1450 |
| Noise | dB(A) | 50Hz | 67 |
| Weight | kg (with motor) | 115 | |
Đặc điểm chi tiết về cấu tạo thiết bị
Cấu tạo chính của Bơm hút chân không khô Wonchang WBS – 80A
Bơm chân không cấu tạo theo tiêu chuẩn quốc tế cao cấp, thực hiện chức năng hút chân không phục vụ cho nhu cầu của con người. Dưới đây là cấu tạo của bơm chân không WonChang WBS 80A
- Vỏ bơm chân không chân không: chất liệu gang chắc chắn, có nút điều chỉnh áp suất, cổng hút
- Buồng bơm chân không: rotor, stato, cánh gạt carbon,
- Động cơ mạnh mẽ hoạt động liên tục để đạt được công suất cao nhất.

Phụ kiện tiêu chuẩn theo bơm
Những phụ kiện đi kèm khi sở hữu thiết bị máy bơm chân không này chính là gạt carbon, công tắc áp suất, đồng hồ đo áp suất, thiết bị chống rung lắc,…
>> Xem thêm: Bơm chân không khô WonChang WBS-80B
Ưu điểm bơm chân không Wonchang WBS – 80A

Sản phẩm mang lại nhiều ưu điểm bất ngờ như:
- Thiết kế nhỏ gọn, hoạt động trơn tru, không ồn ào và rung lắc dữ dội
- Giá cả phải chăng, công sức hoạt động lớn
- Dễ vận hành và bảo dưỡng định kỳ
- Bơm chân không vận hành ổn định, không bị tụt áp suất chân không
- Chi phí vận hành thấp
- Dễ dàng thay thế các phụ kiện có sẵn tại HCTECH.
Ứng dụng bơm hút chân không khô Wonchang WBS – 80A
Sử dụng Bơm hút chân không Wonchang WBS – 80A trong hầu hết các ngành nghề như:
- Bơm chân không khô trong bảo quản thực phẩm
- Ứng dụng chân không cho sản xuất bao bì
- Ứng dụng hệ thống bơm chân không khô trong y tế, hóa học, dược học,
- Bơm chân không trong sản xuất nhựa, giấy,…
>> Xem thêm: Bơm hút chân không khô WonChang WBS 85B
Chứng nhận sản phẩm
Chứng nhận CO, CQ
Sản phẩm Bơm hút chân không Wonchang WBS – 80A đảm bảo được sản xuất bởi hãng Wonchang – thương hiệu hàng đầu trên thế giới. Nguồn gốc xuất xứ và chất lượng là những tiêu chí được làm rõ và chính xác, minh bạch khi khách hàng mua hàng.
Tờ khai hải quan
Số lượng máy nhập về cũng được xác định chính xác trong tờ khai hải quan. Khách hàng xin yên tâm về độ chân thực của giấy tờ này vì nó là một trong những điều kiện để nhập hàng về nước ta.
Invoice, Packing
Mua Bơm Wonchang WBS – 80A đảm bảo có sẵn những phụ kiện quan trọng, chi tiết máy đầy đủ. Khách hàng sẽ có thể kiểm tra thông qua invoice hoặc packing. Đây là giấy tờ được xuất trình khi HCTECH nhập hàng về Việt Nam.
Tư vấn lắp đặt sản phẩm
Tư vấn lắp đặt bơm chân không chi tiết
Đầu tiên, HCTECH sẽ khảo sát nhà máy để tìm được vị trí đặt phù hợp. Vị trí này được xác định dựa theo nhu cầu thực tế sử dụng của người dùng. Ngoài ra, hệ thống đường ống bơm cũng cần được bố trí tại vị trí thích hợp và sau đó mới tìm và chọn máy bơm phù hợp cho vị trí đó.
Tư vấn vận hành
Khởi động máy bơm không khó, nhưng để thiết bị hoạt động tốt trong sự kiểm soát của bạn thì chẳng dễ dàng gì. Vì khi bạn mua một thiết bị mới về cần một quá trình tìm hiểu để có thể sử dụng tốt và vì thế khâu tư vấn vận hành là cần thiết.
Từ đó, người dùng sẽ biết cách vận hành trơn tru, khắc phục những vấn đề có thể xảy ra trong quá trình sử dụng. HCTECH luôn có đội ngũ kỹ thuật viên dày dạn kinh nghiệm để tư vấn, hướng dẫn và bảo dưỡng bơm chân không cho khách hàng.
Hướng dẫn bảo dưỡng bơm chân không theo định kỳ
Tất nhiên rồi, sau một thời gian sử dụng dù là thiết bị nào cũng cần được bảo dưỡng lại. Bơm Wonchang WBS – 80A cần được vệ sinh, thay mới một vài bộ phận bị hao mòn trong quá trình sử dụng. nếu hết ca làm việc, cần vệ sinh máy, bộ lọc.
Khi cánh gạt bị mòn từ 0.3mm – 0.5mm cần được thay mới. Mục đích của công đoạn này là để đảm bảo thiết bị hoạt động tốt nhất theo thời gian.

Chính sách mua bơm hút chân không khô Wonchang WBS – 80A
Chính sách bảo hành cho sản phẩm
Bảo hành 12 tháng khi bạn mua Bơm hút chân không khô Wonchang WBS – 80A. HCTECH không chỉ đảm bảo cung cấp cho khách hàng của mình sản phẩm chính hãng với cam kết chất lượng. Với thời hạn bảo hành lên tới 12 tháng, người dùng có thể đem thiết bị đi bảo trì hoặc về sinh miễn phí.
Chính sách vận chuyển
Tất nhiên rồi, nhà cung cấp luôn hỗ trợ khách hàng của mình hết mức có thể. Với đơn hàng trên 200 triệu đồng, khách hàng sẽ được freeship, miễn phí vận chuyển trong nội thành. Như vậy người dùng sẽ tiết kiệm được một khoản chi phí so với việc chịu thêm tiền vận chuyển.
Giá thành sản phẩm hiện nay
Sản phẩm Bơm Wonchang WBS – 80A có mức giá không quá cao so với những máy bơm khác. Dù là chất lượng tuyệt vời, hàng chính hãng uy tín nhưng sản phẩm vẫn sử dụng mức giá cạnh tranh mà không áp dụng chính sách độc quyền. Từ đó người mua không cần lo lắng phải tốn nhiều tiền cho thiết bị này.
Liên hệ ngay để được chúng tôi tư vấn, hỗ trợ khách hàng mua hàng chính hãng chất lượng nhất hiện nay.
Hotline: 0904 643 816
Email: info@hctechco.com





