Bơm hút chân không vòng dầu Becker O5.4 được đánh giá cao về chất lượng cùng khả năng tạo áp suất chân không cao. Bạn đang tìm kiếm bơm chân không công suất nhỏ cho ứng dụng của mình? Bài viết dưới đây sẽ giới thiệu kỹ hơn về sản phẩm, bạn đừng bỏ qua nhé.
Nội dung chính
- Mô tả sản phẩm bơm chân không Becker O5.4
- Thông số kỹ thuật bơm chân không vòng dầu Becker O5.4
- Đặc điểm cấu tạo của bơm chân không Becker O5.4
- Ưu điểm bơm chân không Becker O5.4
- Ứng dụng bơm chân không Becker
- Chứng nhận sản phẩm
- Tư vấn lắp đặt bơm Becker O5.4
- Chính sách bán hàng HCTECH
- Giá bơm chân không Becker O5.4
Mô tả sản phẩm bơm chân không Becker O5.4
Giới thiệu bơm

Hình ảnh bơm chân không vòng dầu Becker O5.4
Bơm chân không Becker O5.4 được thiết kế theo nguyên lý sử dụng cánh gạt quay để tạo áp suất chân không đã làm tăng hiệu quả làm việc. Sản phẩm đạt được tiêu chuẩn EU, chứng nhận ISO 9002 và động cơ IP55.
Đặc biệt, bơm có độ bền cực cao để làm việc tốt trong mọi điều kiện môi trường, các bộ phận lọc tách đảm bảo không khí và dầu bơm đạt chất lượng cao nhất, tăng độ bền cho sản phẩm.
Hãng sản xuất bơm chân không Becker
Becker là hãng sản xuất bơm chân không nổi tiếng tại Đức. Thống kê có hơn 100 quốc gia với những nhà máy nổi tiếng trên thế giới sử dụng sản phẩm của hãng.
Tại Việt Nam, bơm Becker O5.4 cũng đang dần trở nên phổ biến và được tin tưởng khi cung cấp bởi đơn vị HCTECH.
Thông số kỹ thuật bơm chân không vòng dầu Becker O5.4
| Hãng sản xuất | Becker |
| Xuất xứ | Đức |
| Lưu lượng hút chân không | 4 m3/h |
| Độ chân không | 2.0 mbar |
| Độ ồn | 56.9 dB |
| Bảo hành | 12 tháng |
| Công suất | 0.1 kW (1~/ 3~) |
| Định mức dầu | 0.06 L |
| Khối lượng bơm | 5.5 kg |
| Bảo hành | 12 tháng |

Bảng thông số kỹ thuật của bơm chân không O5.4
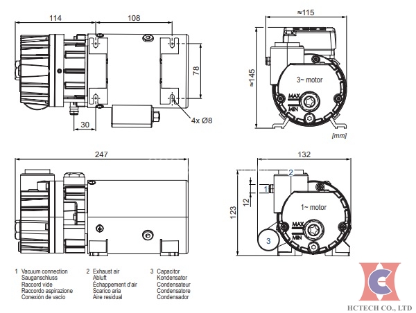
Đặc điểm cấu tạo của bơm chân không Becker O5.4
Cấu tạo chính của bơm

Bản vẽ kích thước của bơm chân không vòng dầu Becker O5.4
Những bộ phận cấu tạo của bơm Becker O5.4 là:
- Vỏ bơm chân không: làm từ chất liệu gang
- Buồng bơm: Rotor, Stato (lòng bơm)
- Van một chiều cổng hút và cổng xả
- Két dầu, buồng dầu
- Bộ lọc bơm chân không: lọc tách dầu, lọc dầu, bộ lọc khí Becker
- Bộ phận tản nhiệt, cánh quạt làm mát
- Dầu bơm chân không Becker M100
- Động cơ bơm chân không motor.
>> Xem thêm: Bơm hút chân không vòng dầu Becker O5.6
Nguyên lý hoạt động
Các model bơm chân không đều có nguyên lý hoạt động đó là là rotor sẽ quay lệch tâm so với stato để tạo ra áp suất chân không. Bơm chân không becker O5.4 thuộc loại bơm chân không vòng dầu, do đó sử dụng dầu làm mát, làm kín trong buồng bơm
Cánh gạt trong rãnh của rotor văng ra quét đều vào lòng bơm, không khí bên ngoài được hút vào theo các cánh và đẩy qua van 1 chiều xả ra ngoài. Các chu trình diễn ra liên tiếp để tạo ra chân không cho ứng dụng.
Phụ kiện bơm chân không Becker O5.4
Phụ kiện đi kèm của bơm chân không vòng dầu Becker O5.4 để tăng hiệu quả vận hành:
- Lọc tách dầu Becker model O5
- Lõi lọc khí Becker model O5
- Dầu bơm hút chân không Becker model O5
Ưu điểm bơm chân không Becker O5.4
Bơm chân không vòng dầu Becker model O5.4 sở hữu những ưu điểm vượt trội sau:
- Thiết kế nhỏ gọn, linh hoạt, sử dụng phù hợp cho những nhà máy có dây chuyền sản xuất nhỏ hay trong phòng thí nghiệm.
- Áp suất chân không cao, ổn định so với những model có kích thước, thông số kỹ thuật tương đương.
- Máy được làm từ chất liệu cao cấp, có khả năng chống oxy hóa, chống rỉ.
- Bơm chân không vòng dầu Becker model O5 dễ dàng lắp đặt, vận hành, bảo trì và bảo dưỡng.
Ứng dụng bơm chân không Becker
Bơm chân không Becker O5.4 sử dụng đa dạng cho những ứng dụng như:
- Ngành in ấn, vận chuyển và đóng gói sản phẩm
- Hút chân không, sấy khô nông sản
- Ngành chế biến gỗ, gạch men, giấy
- Ngành công nghiệp hóa chất, định hình nhựa, sản xuất kính an toàn
- Ngành công nghiệp điện tử, linh kiện, chất bán dẫn.
>> Xem thêm: Bơm chân không vòng dầu Becker O5.8
Chứng nhận sản phẩm
- Chứng nhận CO, CQ
- Tờ khai hải quan
- Invoice , Packing
Tư vấn lắp đặt bơm Becker O5.4
Tư vấn vận hành – lắp đặt bơm chân không
Quy trình lắp đặt – vận hành chính xác như sau:
- Dựa vào các yếu tố như vị trí đường ống bơm, vị trí lắp đặt, nhân công vận hành, chi phí, ứng dụng nhà máy sẽ đưa ra được sơ đồ lắp đặt chính xác nhất.
- Sau khi lắp đặt thành công thì vận hành thử, nhưng cần đảm bảo về nguồn điện, nhiên liệu cung cấp đủ cho bơm.
- Kiểm tra các lỗi sai, lỗi hư hỏng và có phương án sửa chữa, thay thế kịp thời. Nếu bơm đã vận hành ổn định thì bàn giao cho người phụ trách.
Tư vấn bảo dưỡng bơm chân không Becker
Sau khi kết thúc ca làm việc, bạn cần chú ý vệ sinh sạch sẽ các chi tiết bơm, lên kế hoạch bảo dưỡng theo những hướng dẫn sau:
- Bảo dưỡng định kỳ 3-6 tháng/lần cho bơm
- Thay thế bộ lọc (lọc dầu, lọc gió…) khi đạt tối đa 3000h làm việc.
- Thay cánh gạt khi bị mài mòn từ 0,3 – 0,5mm.
Chính sách bán hàng HCTECH
Khi mua máy bơm hút chân không, HCTECH mang đến cho bạn những chính sách ưu đãi sau:
- Miễn phí vận chuyển khu vực Hà Nội, các khu vực khác trên toàn quốc được miễn phí khi đơn hàng đạt từ 200 triệu đồng.
- Giá tốt cho khách hàng mua với số lượng lớn, chiết khấu lên tới 50%
- Bảo dưỡng bơm trong thời gian 12 tháng và 1000h đối với phụ kiện.
Giá bơm chân không Becker O5.4
Bơm hút chân không vòng dầu Becker model O5 được bán với giá cạnh tranh nhất trên thị trường. Bạn hãy liên hệ cho chúng tôi để được báo giá chính xác nhất nhé.
HCTECH sở hữu đội ngũ nhân viên chuyên nghiệp sẽ mang đến cho bạn giải pháp bơm chân không tốt nhất. Bên cạnh đó, chúng tôi còn là nhà phân phối độc quyền chính hãng các dòng bơm Busch, Wonchang, Hanchang, EVP…với đầy đủ các model bơm chân không khô, vòng dầu, phụ kiện bơm…đừng bỏ qua nhé.
Liên hệ: 0904.643.816 – 0902.176.051
Email: info@hctechco.com


