Máy bơm hút chân không khô Wonchang WVH-3 có cấu tạo nhỏ gọn, công suất 0.4kW, phù hợp cho các quy mô sản xuất vừa và nhỏ. Thiết bị được công ty HCTECH nhập khẩu chính hãng từ Hàn Quốc. Tham khảo chi tiết hơn về model này qua bài viết sau.
Nội dung chính
- Mô tả sản phẩm
- Thông số kỹ thuật bơm hút chân không WVH 3
- Đặc điểm cấu tạo của bơm chân không Wonchang WVH3
- Ưu điểm bơm chân không WonChang WVH3
- Ứng dụng của máy bơm chân không Wonvac WVH3
- Lắp đặt, vận hành máy bơm chân không Wonchang WVH-3
- Chứng nhận sản phẩm
- Chính sách bảo hành và vận chuyển
- Giá bơm hút chân không khô Wonchang WVH3
Mô tả sản phẩm
Giới thiệu bơm hút chân không Wonchang WVH 3

Máy bơm hút chân không WVH-3 hãng Wonchang
Bơm hút chân không khô Wonchang WVH 3 là một trong những model bơm chân không uy tín, được nhiều khách hàng tin dùng. Sản phẩm thuộc dòng bơm chân không cánh quay không dầu, hiệu quả tốt, tiết kiệm chi phí vận hành.
Thiết bị được sản xuất bởi hãng Wonchang nổi tiếng đem lại những ưu điểm vượt trội và tính ứng dụng đa dạng.
Hãng sản xuất bơm chân không Wonchang
Wonchang là một trong những nhà sản xuất bơm chân không uy tín tại Hàn Quốc. Hãng bơm hút chân không Wonchang còn được nhiều khách hàng gọi với cái tên Wonvac (WonVac với Won trong Wonchang, Vac trong Vacuum pump).
Sản phẩm của Wonchang được đánh giá cao về hiệu quả vận hành, độ bền của bơm và tính ứng dụng đa dạng.
Sản phẩm nổi bật của Wonchang:
- Máy bơm chân không vòng dầu
- Bơm hút chân không khô.
Thông số kỹ thuật bơm hút chân không WVH 3
Các thông số của bơm chân không khô WVH3 với nguồn điện 50HZ như sau:
| Model | WVH-3 |
| Lưu lượng | 220 l/min |
| Áp suất chân không cuối cùng | 724 mmHg |
| Công suất | 0.4 kW |
| Tốc độ bơm (rpm) | 1190 rpm |
| Khối lượng (With motor) | 22 kg |
| Cổng kết nối | 3/8″ |
Thông số đầy đủ của máy bơm hút chân không:

Bảng thông số của bơm chân không Wonvac WVH3
>> Xem thêm: Bơm hút chân không khô Wonchang WVH-5
Đặc điểm cấu tạo của bơm chân không Wonchang WVH3
Cấu tạo chính

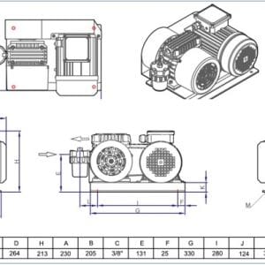
Bản vẽ kích thước của máy bơm chân không khô Wonvac WVH-3
WVH3 thuộc dòng bơm chân không cánh quay khô. Bơm có cấu tạo gồm các bộ phận chính sau:
- Động cơ bơm: cung cấp lực chuyển động cho trục bơm chuyển động.
- Buồng bơm chân không: nơi diễn ra toàn bộ quá trình bơm hút chân không. Buồng bơm chứa trục rotor đặt lệch tâm, các cánh gạt carbon đặt vào các rãnh của trục bơm.
- Dây đai truyền động: Kết nối và truyền động từ động cơ và sang buồng bơm.
- Cổng hút/ Cổng xả: nơi không khí hút và xả ra khỏi buồng bơm.
Nguyên lý vận hành
Bơm chân không khô Wonvac WVH3 vận hành theo nguyên lý như sau:
Cấp điện cho bơm vận hành, trục rotor của bơm chuyển động với tốc độ nhanh. Các cánh gạt trượt ra vào rãnh rotor, mặt còn lại quét vào buồng bơm. Các cánh gạt chuyển động tạo thành các khoang kín có thể tích thay đổi tuần hoàn.
Cánh gạt thứ nhất qua cổng hút kéo không khí vào buồng bơm. Chúng được vận chuyển, nén theo chuyển động các khoang cánh.
Đến vị trí xả, không khí được đẩy ra bên ngoài buồng bơm.
Ưu điểm bơm chân không WonChang WVH3

Đường tuyến tính hoạt động của bơm thể hiện lưu lượng và áp suất trong quá trình vận hành
- Bơm chân không khô Wonchang WVH3 được thiết kế dây đai truyền động kết nối buồng bơm và động cơ. Bơm có cấu tạo nhỏ gọn, chắc chắn.
- Độ tin cậy và tuổi thọ cao.
- Dễ dàng sử dụng và bảo trì sửa chữa.
- Bơm sử dụng không khí làm kín và làm mát, không tốn các chi phí cho dầu chân không và nước như các dòng bơm khác.
- Bơm có tính ứng dụng cao, thích hợp với nhiều lĩnh vực sản xuất.
>> Xem thêm: Bơm hút chân không khô WonChang WVS 3
Ứng dụng của máy bơm chân không Wonvac WVH3
Sản phẩm bơm hút chân không khô Wonchang WVH3 phù hợp cho nhiều lĩnh vực sản xuất. Đặc biệt là các quy mô vừa và nhỏ (công suất tương đương 0.4kW, lưu lượng 220l/min). Các ứng dụng của bơm chân không này có thể kể đến:
- Bơm hút chân không trong in ấn
- Máy bơm hút chân không cho sản xuất dược phẩm
- Máy bơm hút chân không phòng sạch
- Ứng dụng trong đóng gói, bao bì
- Nâng hạ, vận chuyển sản phẩm…
Lắp đặt, vận hành máy bơm chân không Wonchang WVH-3
Hướng dẫn lắp đặt bơm chân không
Bơm hút chân không khô Wonchang WVH3 có thể lắp đặt theo 2 phương án:
- Kết nối trực tiếp với máy sản xuất
- Kết nối thành hệ thống bơm hút chân không.
Tùy thuộc vào nhu cầu sử dụng, thực tế tại nhà máy mà kỹ thuật viên sẽ đưa ra phương án lắp đặt phù hợp nhất.
Hướng dẫn vận hành bơm chân không WVH 3
Thực hiện vận hành bơm chân không khô Wonchang WVH3 theo các bước sau:
- Trước khi vận hành: Kiểm tra các phụ kiện của bơm, kết nối điện, kết nối cổng hút, xả.
- Vận hành: Cấp điện cho máy bơm chân không vận hành. Theo dõi thông số trong quá trình bơm chạy. (Dừng bơm và xử lý sớm nếu phát hiện các dấu hiệu bất thường)
- Kết thúc làm việc: Ngắt điện kết thúc quá trình làm việc. Vệ sinh bơm sau khi làm việc.
Chứng nhận sản phẩm
Công ty HCTECH là đơn vị phân phối độc quyền của hãng Wonchang tại thị trường Việt Nam. Các sản phẩm bơm chân không được nhập khẩu chính hãng với đầy đủ giấy tờ, chứng nhận chất lượng:
- Invoice, Packing list
- Chứng nhận CO-CQ.
Chính sách bảo hành và vận chuyển
Để đảm bảo quyền lợi cho khách hàng, HCTECH có các chính sách bảo hành và vận chuyển phù hợp:
- Bảo hành 12 tháng cho bơm chân không mới
- Miễn phí vận chuyển một số khu vực nội quận
- Miễn phí vận chuyển toàn quốc với đơn hàng từ 200 triệu.
Giá bơm hút chân không khô Wonchang WVH3
So với mặt bằng chung, giá bơm hút chân không Wonchang thuộc mức vừa phải, phù hợp với nhiều đơn vị sản xuất. Mặt khác, bơm chân không WVH3 được nhập khẩu chính hãng, không qua các bên trung gian. Do đó, khách hàng có thể mua sản phẩm với giá cạnh tranh nhất trên thị trường.
Trên đây là đầy đủ thông tin chi tiết về máy bơm hút chân không khô Wonchang WVH-3. Liên hệ HCTECH để tư vấn và báo giá nhanh nhất
HOTLINE: 0904.643.816 – 0902.176.051
EMAIL: info@hctechco.com



