Bạn đang ở đây Trang chủ - Tin tức - Bơm hút chân không dùng dầu Becker model U4.20
Bơm hút chân không dùng dầu Becker model U4.20
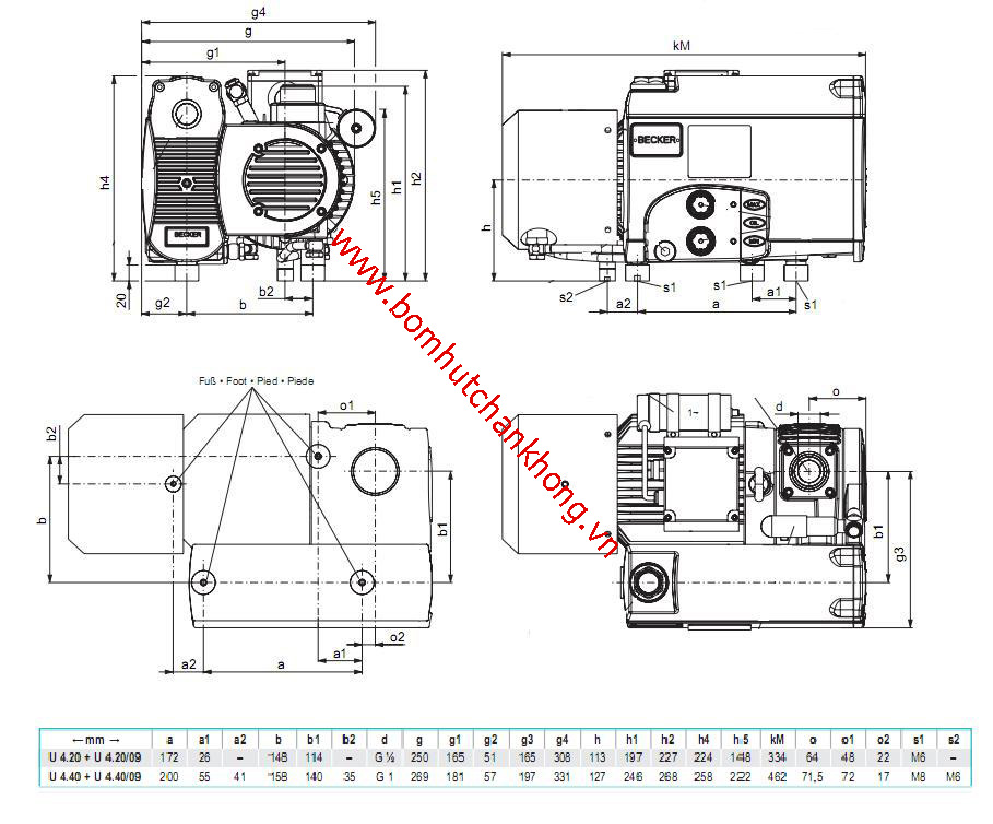
Bơm hút chân không dùng dầu Becker U4.20 là thiết bị bơm chân không công nghiệp Becker uy tín hàng dầu thế giới hiện nay được đánh giá số 1 về độ bền, chất lượng và khả năng hút chân không sâu so với các loại bơm tương đương. Hiện tại, HCTECH đang là đại diện ủy quyền của Becker tại Việt Nam để phân phối các thiết bị bơm chân không cho khách hàng.
Nội dung chính
Tổng quan
Becker là nhà sản xuất máy bơm hút chân không công nghiệp nổi tiếng. Sản phẩm của Becker có hầu hết ở các nước trên thế giới. Được sử dụng trong các dây chuyền in hiện đại: Man Roland, Komori, trong các nhà máy của Pepsi, Cocacola….
Model U4.20 sử dụng dầu để làm mát và làm kín, tạo được độ chân không cao. Dầu bơm chân không Becker được sử dụng như dầu Vaco 100, dầu VM 100 sẽ khai thác tốt nhất việc hoạt dộng của bơm

Bơm hút chân không dùng dầu Becker model U4.20
Thông số kỹ thuật:
Model: U4.20
Loại : Dùng dầu
Xuất xứ: Đức
Hãng sx: Becker
Lưu lượng: 18m3/h
Độ chân không: 1mbar
Moto : 0.55 KW
Cổng hút: 1/2 inch
Trọng lượng: 20kg

Ưu điểm
Sản phẩm bơm hút chân không vòng dầu Becker có chất lượng tốt, độ đáp ứng cao cho các ứng dụng, thiết kế gọn, chiếm ít không gian lắp đặt, các chi tiết gia công chính xác, tuổi thọ cao, các phụ kiện thay thế dễ dàng, vận hành êm ái, bơm được phun lớp sơn bảo vệ chắc chắn tránh tác động của môi trường xung quanh. Động cơ thiết kế theo tiêu chuẩn TEFC. Các cổng hút, cổng xả có tiêu chuẩn kết nối dễ dàng. Chi phí vận hành thấp, bảo trì bảo dưỡng dễ dàng..
Ứng dụng
Model bơm chân không vòng dầu U4.20 được sử dụng trong các ngành sản xuất đĩa VCD/DVD, định hình sản phẩm nhựa, làm lốp xe, sản xuất bao bì carton, nâng hạ sản phẩm…
HCTECH là đại diện chính thức của Becker tại Việt Nam. Các sản phẩm công ty cung cấp được đánh giá cao về chất lượng. Công ty không ngừng nỗ lực phấn đấu nhằm mang lợi ích tối đa đến cho khách hàng.
Tổng Quan Về Hãng Sản Xuất Bơm Chân Không Busch Vacuum Solutions
Trong nền công nghiệp hiện đại, hệ thống chân không đóng vai trò then chốt trong quy trình sản xuất của nhiều lĩnh vực từ thực phẩm, dược phẩm đến điện tử. Khi nhắc đến các giải pháp chân không bền bỉ và hiệu quả, Busch Vacuum Solutions luôn là cái tên đứng đầu bảng […]
Kính gửi Quý khách hàng và Đối tác cùng toàn thể nhân sự công ty TNHH Thương mại và Công nghệ HC Việt Nam! Trong không khí hân hoan chào đón năm mới, HC Việt Nam xin gửi lời cảm ơn chân thành nhất vì sự tin tưởng và đồng hành của Quý vị trong […]
Thông Báo Nghỉ Tết Dương Lịch 2026
Công ty TNHH Thương mại và Công nghệ HC Việt Nam xin trân trọng thông báo kế hoạch nghỉ lễ tết dương lịch đến toàn thể các quý khách hàng, đối tác và cán bộ, nhân viên đang làm việc tại công ty như sau: Ngày nghỉ: thứ năm ngày 1-1-2026 Ngày làm việc trở […]
5 Thương Hiệu Bơm Hút Chân Không Uy Tín Nhất Năm 2025
Trong bối cảnh công nghiệp ngày càng phát triển, bơm hút chân không trở thành một thiết bị không thể thiếu trong nhiều lĩnh vực từ sản xuất, y tế, chế biến thực phẩm đến nghiên cứu khoa học. Việc lựa chọn một thương hiệu bơm chân không uy tín không chỉ đảm bảo hiệu […]
Động cơ 2 kỳ là gì? Động cơ 4 kỳ là gì? Điểm khác biệt giữa 2 loại
Bạn đang tìm kiếm một chiếc xe máy mới hay đơn giản là muốn hiểu rõ hơn về nguyên lý hoạt động của các loại động cơ phổ biến? Động cơ 2 kỳ và động cơ 4 kỳ là hai loại động cơ đốt trong được sử dụng rộng rãi, nhưng chúng có những điểm […]

Công ty TNHH Thương mại và Công nghệ HC Việt Nam
Thành lập từ năm 2011, là đơn vị hàng đầu trong lĩnh vực bơm chân không tại Việt Nam. Các sản phẩm nổi bật bao gồm, bơm hút chân không vòng dầu, bơm chân không khô, bơm chân không vòng nước nhập khẩu chính hãng.
Dịch vụ sửa chữa bơm chân không uy tín từ đội ngũ có trên 15 năm kinh nghiệm trong ngành.
Thông tin liên hệ:
Văn phòng: Số 5B, Ngách 15/2 An Dương Vương, Phú Thượng, Tây Hồ, Hà Nội.
Xưởng SX: Số 18, đường 16km, Phương Trạch, Vĩnh Ngọc, Đông Anh, Hà Nội.
SDT / Zalo: 0904 643 816